Sepertinya sudah waktunya rancangan OCL150 diistirahatkan dan diganti dengan rancangan yang hampir sama sederhananya dan dengan pemilihan komponen yang lebih baik. Komponen tersebut harus mudah didapat di toko-toko elektronik baik konvensional maupun online setidak-tidaknya yang ada di Jakarta.
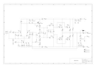
Dari pemikiran tersebut maka saya membuat simulasi rancangan amplifier yang saya namakan Perkutut, yang artinya kecil dan sederhana tapi bersuara merdu (harapannya). Schematicnya ada di bawah ini.
![]() |
| Skematik Perkutut Amplifier |
Keterangan:
Resistor yang tidak dicantumkan ratingnya memiliki rating 0,25W kecuali R20 yang memiliki rating 1W.
Perbedaan utama dari OCL150 adalah amplifier ini kelas AB atau lebih tepatnya kelas AB dengan arus bias yang optimal dengan bias servo Q5. Arus bias diatur oleh trimpot R12 sehingga arus kolektor Q8 – Q11 masing-masing sebesar 70 – 80 mA. Ini didapat dengan mengukur tegangan di antara kedua kaki resistor 0,33 (R23/R24/R27/R8) sebesar 23 – 26 mV. Ini dimaksudkan agar cacat crossover minimal.
Perbedaan kedua adalah tambahan kompensasi C10. Kompensasi ini disebut lead compensation atau oleh Douglas Self dinamakan input-inclusive compensation. Penggunaan C10 dimaksudkan agar bisa nilai C11 (Miller compensation) bisa kecil dengan phase margin dan gain margin yang memenuhi syarat. Akibatnya slew rate akan meningkat.
Prinsip kerja rancangan ini sederhana. Penguat diferensial Q1 dan Q3 arus kerjanya ditentukan oleh sumber arus tetap Q2 sebesar 2mA. LED1 harus berwarna merah, sehingga tegangan majunya 1,56V pada arus 1mA. Ini menyebabkan arus kolektor Q2 menjadi 2 mA. R5 sebesar 680 Ohm sehingga arus kolektor Q1 dan Q3 hampir sama. Makin mendekati nilai arus kolektor Q1 dan Q3, makin kecil cacat harmoniknya. Untuk pencinta kesempurnaan, bisa mengganti R7 dengan trimpot 1K. Atur R7 agar tegangan pada R6 dan R8 sama. R6 dan R8 gunanya untuk meningkatkan slew rate namun nilainya tidak bisa terlalu besar karena akan mengurangi penguatan loop terbuka yang kecil.R14 dan R15 dipilih agar arus kolektor Q4 menjadi 6,9 mA Dipilih arus VAS setinggi ini agar slew rate nya tinggi. Pemilihan transistor untuk penguat diferensial haruslah yang hFE nya tinggi dan low noise. 2SC1845 memenuhi kriteria ini. Sedangkan untuk Q2 tidak ada kriteria khusus dan disamakan saja dengan Q1 dan Q3. Untuk transistor VAS Q4 haruslah yang Cob nya kecil dan Early Voltage nya tinngi. Sebenarnya 2SA1381 atau KSA1381 lebih baik, sayangnya transistor ini sulit didapat. Toko elektronik di Indonesia sama seperti kebanyakan orang Indonesia yang lambat menyerap informasi perkembangan tehnologi. Oleh karena itu saya ganti dengan 2SA1360 yang Early Voltage nya tidak setinggi 2SA1381. Untuk transistor driver pada output double emitter follower, digunakan 2SC5171 dan 2SA1930 yang hFE nya cukup tinggi ditambah bonus fT tinggi dan Cob rendah. Makin tinggi hFE transistor driver makin tinggi impedansi inputnya, sehingga beban VAS menjadi semakin ringan dan cacat harmonik menjadi rendah. Untuk transistor final memakai 2SC5200 dan 2SA1943 yang murah dan cukup bagus. Kriteria utama transistor final adalah fT tinggi dan hFE tidak turun terlalu rendah pada arus kolektor yang tinggi. Boleh dibilang tipe transistor baru yang dibuat 10 tahun terakhir ini semuanya memenuhi syarat ini.
Hasil simulasi
Phase Margin = 86 derajat, Gain Margin = 17 dB
THD pada 74W/8Ohm, 1kHz —-> 0.024699%
THD pada 74W/8Ohm, 20kHz —> 0.028490%
THD pada 148W/4Ohm, 1kHz —> 0.031521%
THD pada 148W/4Ohm, 20kHz -> 0.034516%
Slew Rate = 37V/uS
Jika Q4 diganti dengan 2SA1381:
Phase Margin = 85 derajat, Gain Margin = 14 dB
THD pada 74W/8Ohm, 1kHz —-> 0.003974%
THD pada 74W/8Ohm, 20kHz —> 0.013361%
THD pada 148W/4Ohm, 1kHz —> 0.006347%
THD pada 148W/4Ohm, 20kHz -> 0.014441%
Slew Rate = 37V/uS
Harmonic profile pada 1 kHz, 1 Watt rms, 8 Ohm:
![]() |
| Perkutut1kHz |
Harmonic profile pada 20 kHz, 1 Watt rms, 8 Ohm:
![]() |
| Perkutut20kHz |
Grafik PSRR (Power Supply Ratio Rejection) yang tidak istimewa sehingga perlu power supply yang bagus seperti pada artikel Blameless 150:
![]() |
| PerkututPSRR |
Frekuensi respon sinyal kecil tanpa input filter:
![]() |
| Perkutut Frekuensi Respon |
Open loop dikurangi closed loop untuk melihat kestabilan amplifier:
![]() |
| Grafik PM & GM |
Cacat intermodulasi dengan metode CC-IF:
![]() |
| Perkutut TIM |
Kondisi saat terjadi clipping pada frekuensi 20kHz dan beban 8 Ohm:
![]() |
| Kliping |
![]() |
| Silkscreen |
![]() |
| Bottom |
Layout PCB dengan ukuran 16,7 cm x 8,5 cm oleh Daniel Suroyo (sudah diuji coba):
![]() |
| Bottom |
Pemilihan Komponen
Untuk mendapatkan kualitas yang mendekati hasil simulasi dan kualitasnya stabil terhadap perubahan suhu, maka komponen resistor dan kapasitor yang disarankan adalah sebagai berikut: Semua resistor 1/4 Watt dan 1/2 Watt memakai resistor metal film agar noise-nya minimal. Resistor 5 Watt gunakan tipe yang induktansinya rendah. Resistor yang induktansinya tinggi seperti wirewound akan mengurangi kestabilan amplifier. Namun karena phase margin dan gain margin-nya cukup besar, pengaruh induktansi pada resistor ini cukup kecil. Kapasitor 100nF untuk de-coupling power supply disarankan tipe keramik atau MKT yang memiliki frekuensi resonansi yang sangat tinggi. Lebih baik tipe SMD (Surface Mount Device) atau chip, karena makin panjang kaki komponen ini makin menambah induktansi series-nya sehingga resonansi frekuensinya makin turun. Jadi tidak efiktif untuk menghilangkan noise frekuensi tinggi di power supply. Kapasitor C10 dan C11 harus kapasitor yang koefisien suhunya mendekati nol. Kestabilan amplifier ditentukan oleh komponen ini. Tentu kita tidak ingin kestabilannya berubah terhadap suhu. Tipe yang cocok adalah Silver Mica atau Ceramic NP0/COG. Namun toko elektronik di Indonesia tidak menjual Ceramic NP0/COG, umumnya yang dijual adalah Ceramix X7R atau X5R. Kalau silver mica bisa didapatkan di toko komponen khusus untuk audio.C1, C2, C13 gunakan kapasitor film MKP dan C17 adalah tipe MKT untuk
mendapatkan THD yang kecil. Khusus untuk C7 dan C9 gunakan capacitor elektrolit (Elco) yang kualitas tinggi, misalnya merk Muse yang bisa didapatkan di toko-toko komponen khusus audio.
Jangan sekali-sekali pakai kapasitor Mylar di rangkaian audio.
Hasil Implementasi
Di bawah ini foto-foto hasil implementasi dari salah satu member solfegio yang mengijinkan saya memuatnya di sini.
Komentarnya bisa dilihat di sini.
Sedangkan di bawah ini adalah hasil implementasi dari Still4given (member dari diyaudio.com):
Komentarnya ada di sini.
Saya bikin versi kitnya dengan sedikit modifikasi agar harmonic profile nya lebih bersifat monotonic (harmonik kedua paling besar, harmonik ketiga lebih kecil, dan seterusnya) pada seleuruh frekuensi audio. Lalu pada bagian input dan VAS diberi capacitance multiplier agar PSRR nya lebih tinggi. Kit diproduksi oleh Daniel Suroyo. Kitnya seperti ini:
Kit bisa dibeli di sini
Untuk versi daya yang lebih besar, menyusul.
Hasil Rekaman Suara Amplifier Perkutut
Amplifier ini direkam dengan memakai speaker bookshelf DIY seorang teman dan di depannya memakai dua buah microphone. Hasilnya seperti ini:
https://drive.google.com/file/d/0B_YjNKMKpzoLMGp4QnFsc1lTUDQ/view
Sumber : https://anistardi.wordpress.com/2014/10/14/perkutut-amplifier/



















